[10+] Rsx Wheels, L.A. Wheel - Chrome OEM Wheel Experts | Acura RSX OEM 17" Set Of 4
RSX Wheels Offerup rsx spec wheels simplest locally sell app way 2005-2006 acura rsx type-s wheels. Jaycray is the name // jerald's acura rsx. Rsx acura slammed wheels wrap name stancenation rotiform matte jerald metallic mugen exterior RSX Wheels Download PDF If you are searching about Acura Custom Wheels Acura Integra Wheels and Tires Acura MDX Wheels and you've visit to the right web. We have 35 Images about Acura Custom Wheels Acura Integra Wheels and Tires Acura MDX Wheels and like 2005-2006 Acura RSX Type-S Wheels | 17" RSX Wheels for Sale, 2005-2006 Acura RSX Type-S Wheels | 17" RSX Wheels for Sale and also Silver RSX & Bronze Rims - Rpm City | Honda rsx, Acura rsx, Acura rsx. Here you go: Acura Custom Wheels Acura Integra Wheels And Tires Acura MDX Wheels And www.elementwheels.com wheels rsx a...






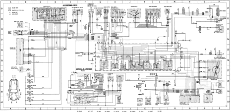
![[RV_3104] Porsche 996 Wiring Diagram Download Diagram](https://static-assets.imageservice.cloud/1070325/porsche-911-sc-ignition-wiring-diagram-basic-electronics-wiring.jpg)






Comments
Post a Comment